网站支持IPV6
你好,{{loginInfo.showname|truncate(12)}}
注销
注册
登录
注册
登录
国务院
省政府
市政府
首页
政务公开
政府信息公开
工作报告
人事信息
财政资金
重大建设项目
统计信息
专题专栏
解读回应
办事服务
网上办事大厅
便民服务
闽政通APP
三明市网上公共服务平台
内容融合
政务地图
明溪涉侨服务“侨易办”
互动交流
咨询投诉
智能问答
互动交流知识库
在线访谈
网上调查
意见征集
走进明溪
热门搜索:
长者模式
退出长者模式
无障碍浏览
当前位置:
首页
>
专题专栏
>
水质信息
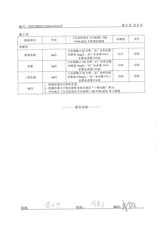
2025年10月管网水水质检测报告
日期:2025-11-07 11:18
来源:明溪水务
|
|
|
|
微信
微博
QQ空间
扫一扫在手机上查看当前页面
附件下载:
2025年10月管网水水质检测报告.pdf
关闭
相关链接: